DESCRIPTION
Battery Management system
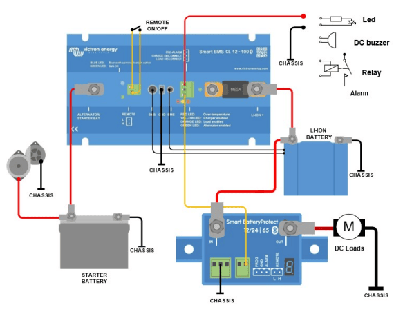
The BMS connects to 12,8V Victron LiFePO4 (LFP) batteries. Up to 5 batteries may be connected in parallel. Can be used as a system on/off switch.
Alternator and battery protection
The input current is electronically limited to approximately 90% of the fuse rating. A 100A fuse, for example, will therefore limit the input current to approximately 90A.
Choosing the right fuse will:
a. Protect the LFP battery against excessive charge current (important in case of a low capacity LFP battery).
b. Protect the alternator against overload in case of a high capacity LFP battery bank (most 12V alternators will overheat and fail if running at maximum output during more than 5 minutes).
Starter battery Protection
This function is similar to that of a Cyrix Battery Combiner or Argo FET Battery Isolator. Current can flow to the LFP battery only if the input voltage (= voltage on the starter battery) exceeds 13V. And current cannot flow back from the LFP battery to the starter battery, thus preventing eventual damage to the LFP battery due to excessive discharge.
Li-ion battery protection
Excessive input voltage and transients are regulated down to a safe level. The Smart BMS CL will stop charging in case of cell over voltage or over temperature. It has three outputs, similar to the miniBMS:
Load Disconnect output
The Load output is normally high and becomes free floating in case of imminent cell under voltage (default 2,8V/cell, adjustable on the battery between 2,6V and 2,8V per cell). Maximum current: 10mA. The Load output can be used to control the remote on/off input of a Battery Protect, inverter, DC-DC converter or other loads.
Pre-Alarm output
The pre-alarm output can be used as warning when the battery voltage is low and it will trip shortly before the Load Disconnect output is disabled due to cell under voltage. The pre-alarm output may be used to drive a relay, LED or Buzzer. It can be configured as continuous or intermittent signal. The pre-alarm output is normally free floating and becomes high in case of imminent cell under voltage (default 3,1V/cell, adjustable on the battery between 2,85V and 3,15V per cell). Maximum current: 1A (not short circuit protected) The minimum delay between pre-alarm and load disconnect is 30 seconds.
Charge disconnect output
The Charger output is normally high and becomes free floating in case of imminent cell over voltage or over temperature. Maximum current: 10mA. The Charger output is not suitable to power an inductive load such as a relay coil. The Charger output can be used to control: The remote on/off of a charger, a Cyrix-Li-Charge relay, a Cyrix-Li-ct Battery Combiner.
(Note: in some cases an interface cable will be needed, please see the manual.)
Remote on/off input
The remote on/off input controls the charging via the alternator. When off, charging via the alternator is disabled, while the BMS functionality will remain active allowing any loads and chargers to continue working regardless of the state of the remote input. When “system on/off switch” is enabled via VictronConnect, the BMS functionality will also be disabled. It consists of two terminals: Remote L and Remote H. A remote on-off switch or relay contact can be connected between H and L. Alternatively, terminal H can be switched to battery plus, or terminal L can be switched to battery minus
Ignition proof
No relays but MOSFET switches, and therefore no sparks.
SKU: VIC-BMS110022000
SPECIFICATIONS

| SKU: | VIC-BMS110022000 | 
| Barcode: | 8719076046851 | 
| Model #: | BMS110022000 | 
| MPN: | BMS110022000 | 
WARRANTY
Victron Energy Limited Warranty Policy
Victron Energy warrants its products to be free from defects in workmanship and materials for a period of 5 years from the date of purchase by the end user, with a maximum of 66 months from the Victron Energy invoice date. Exceptions on this are: lead acid batteries; 2 years from date of purchase by the end user, with a maximum of 30 months from the Victron Energy invoice date, Lithium-ion batteries; 3 years from date of purchase by the end user. In addition to this proof of correct battery usage is required when making a battery warranty claim.
During this period, Victron Energy will, at its option, repair or replace the defective product free of charge. The warranty does not include performing or reimbursing de‐installation, transportation and re‐installation. This warranty will be considered void if the unit has suffered any physical damage or alteration, either internally or externally, and does not cover damages arising from improper use like: • Reverse of battery polarity. • Inadequate connection. • Mechanical shock or deformation. • Contact with liquid or oxidation by condensation. • Use in inappropriate environment (dust, corrosive vapor, humidity, high temperature, biological infestation...). • Breakage or damage due to lightning. • Connection terminals and screws destroyed or other damages, like overheat, due to insufficient tightening. • For any electronical breakage except due to lightning (reverse polarity, over‐voltage due to external cause), the state ofthe internal control diode and of the inputs/output X and Y capacitors determine the warranty.
This warranty will not apply where the product has been misused, neglected, improperly installed, or repaired by anyone else than Victron Energy or one of its authorized Qualified Service Partners. In order to qualify for the warranty, the product must not be disassembled or modified.
Repair or replacement are our sole remedies and Victron Energy shall not be liable for damages, whether direct, incidental,special, or consequential, even caused by negligence or fault.
Victron Energy owns all parts removed from repaired products. Victron Energy uses new or reconditioned parts made by various manufacturers in performing warranty repairs and building replacement products. If Victron Energy repairs or replaces a part of a product, its warranty term is not extended. In case of replacement the new component has a warranty of 6 months, without effect on the initial warranty period. All remedies and the measure for damages are limited to the above. Victron Energy shall in no event be liable for consequential, incidental, contingent orspecial damages, even if having been advised of the probability of such damages. Any and all other warranties expressed or implied arising by law, course of dealing, course of performance, usage of trade or otherwise, including but not limited to implied warranties of merchantability and fitness for a particular purpose, are limited in duration to a period of two (2) years from the date of purchase.
Life Support Policy As a general policy, Victron Energy, does not recommend the use of any of its products in life support applications where failure or malfunction of the Victron Energy's product can be reasonably expected to cause failure of the life support device or to significantly affect its safety or effectiveness. Victron Energy does not recommend the use of any of its products in direct patient care. Victron Energy will not knowingly sell its products for use in such applications unless it receives in writing assurances satisfactory to Victron Energy that the risks of injury or damage have been minimized, the customer assumes all such risks, and the Liability of Victron Energy is adequately protected under the circumstances.
As a product requires service, it must be brought back to the place of purchase. In case no contact can be taken with the merchant, or if he is either unable or not allowed to provide service, direct contact should be taken with Victron Energy.
Warranty on Repairs The warranty period on products or on printed circuits boards repaired by Victron Energy as well as on printed circuit boards for replacement is 6 months from delivery by Victron Energy.
Transport It is the responsibility of the sender to sufficiently package these products. The transport must be organized in a way to avoid any damage, especially when a single unit or heavy unit is sent.
Severability If a part of the terms and conditions set out above is held invalid, void or unenforceable due to any particular national or international legislation, it shall not affect other parts of the terms and conditions remaining.
For Australia only Our goods come with guarantees that cannot be excluded under the Australian Consumer Law. You are entitled to a replacement or refund for a major failure and compensation for any other reasonably foreseeable loss or damage. You are also entitled to have the goods repaired or replaced if the goods fail to be of acceptable quality and the failure does not amount to a major failure.
Exotronic provides high-quality products and solutions tailored for B2B and commercial customers, including commercial businesses, caravan manufacturers, marine electricians, OEMs, as well as emergency services, and more.
                        
                        
                        
                        
                        
                        
                        
                      	
                      	
              
            
              
            
              
            
              
            
              
            
              
            
              
            
              
            
              
            
              
            
              
            
              
            
              
            
              
            
              
            
              
            
              
            
              
            
              
            
              
            
              
            









